液壓油缸,工程油缸,泵車油缸,專用車油缸制造商-湖北佳恒科技有限公司

產品展示
自卸車油缸|泵車|隨車吊油缸|環衛車油缸|液壓系統|泵送系統|放大架總成|礦用液壓支柱|背罐車油缸|起重機油缸|
您現在所在的位置:首頁 > 產品中心 > 產品分類 > 環衛車油缸

鎖鉤油缸

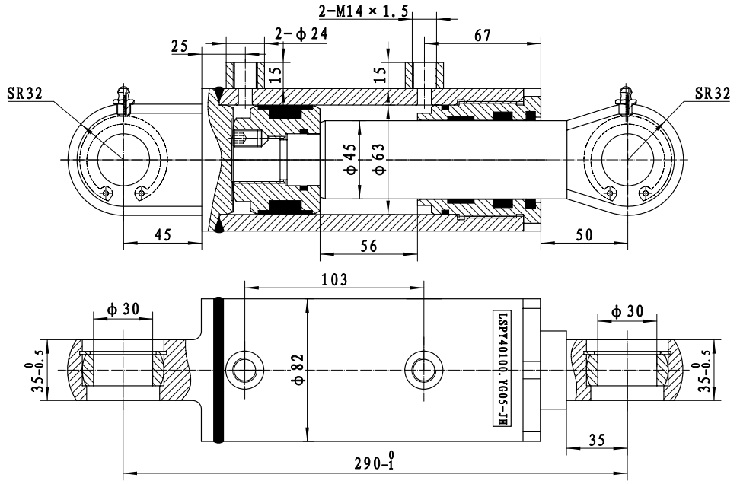
鎖鉤油缸
★主要應用各種垃圾壓縮站
★結構緊湊,性能可靠
★采用獨特的密封系統設計,有效解決內泄漏問題,保證鎖緊功能穩定可靠

外形安裝尺


拉臂油缸
多級雙作用壓縮油缸
鎖鉤油缸
開門油缸
湖北佳恒科技股份有限公司 | 版權所有 鄂ICP備17026771號-1 十堰網站建設 | 制作維護
地址:湖北省十堰市高新區天馬大道387號 電話:400-885-7266 0719-7590366 7590668
--相關友情鏈接--
十堰網站建設
三一重工